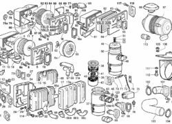
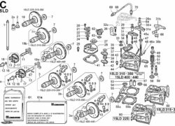
Erhältlich eine große Auswahl an Lombardini 15ld 500 ersatzteile
Wir sind führender europäischer Distributor von Lombardini 15ld 500 Ersatzteile. Varriale Snc: Motoren und Ersatzteile von Lombardini überall und für jeden Bedarf. Kontaktieren Sie uns für ein kostenloses Angebot unter +39 081.5936838 oder E-Mail info@varriale.com















