Moteur Lombardini 15 LD 350



Moteur Lombardini 15 LD 350 est un moteur monocylindre 4 temps, très polyvalent, qui répond à différents besoins et est applicable.
- N 5.5 kw | 7.5 hp
- NB 5.1 kw | 7 hp
- NA 4.7 kw | 6.4 hp
- 1 cylindre | 3600 rpm
- 349 cm3
Principales applications
Machines agricoles | Tracteur à deux roues | Motofalce | Motoculteur | Tondeuse à gazon | Bétonnière | Tombereau | Mini tombereau | Mini pelle | Moteur compresseur | Plaque vibrante | Rouleau compacteur | Coupeur d’asphalte | Groupes électrogènes | Groupe frigorifique | Soudeur | Balayeuse à moteur | Plateforme aérienne | Mini-voiture
Moteur diesel 4 cours refroidi par air
Prise de force conique sur vilebrequin
Rotation dans le sens inverse des aiguilles d’une montre
Lubrification forcée avec pompe à huile
Régulateur de masse centrifuge
Filtre à huile intégré à plein débit
Huile respiratoire blow-by avec dispositif de sécurité
Dispositif de démarrage automatique de carburant supplémentaire
Système de carburant à purge automatique
Ajusteur de couple
Libération automatique de la compression
Charretier en aluminium moulé sous pression avec chemise de cylindre en fonte intégrée
Culasse en aluminium
Frais rigides intégrés
Poussoirs hydrauliques
| Cylindre | 1 |
| Alésage (mm) | 82 |
| Course (mm) | 66 |
| Cylindrée (cm3) | 349 |
| Système d’injection | DI |
| Taux de compression | 20.3:1 |
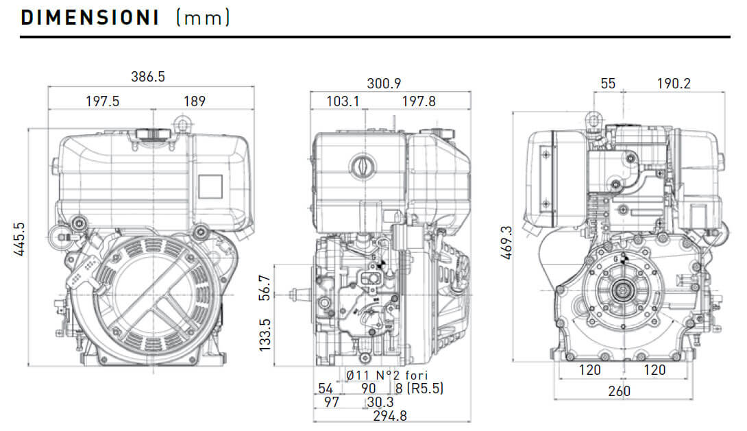
| H × L × W (sans hélice) (mm) | 445.5×386.5×300.9 |
| Poids sec (kg) | 33 |
| Points de service quotidiens – postes | 1 service à côté |
| Températures ambiantes de fonctionnement (°C) | -10° +50° |
| Inclinaison maximale autorisée (valeur de crête -1 min) (deg) |
25° |
| Inclinaison maximale autorisée (deg) (peak value -1 min) |
35° |
| Débit d’air de combustion @3600 (l/min) | 540 |
| Flux d’air de refroidissement @3600 (l/min) | 5000 |
| Capacité du réservoir de carburant (l) | 4.3 |
| Capacité du charretier dhuile (l) | 1.2 |
| Consommation dhuile (kg/h) | 0.00032 |
| Intervalle de vidange dhuile standard/synthétique (h) | 250 |
| Intervalle de remplacement du filtre à huile std/synthétique(h) | 500 |
| Intervalle de remplacement du filtre à air sec (h) | 250 |
| Réglage des soupapes | 500 |
| Lubrication | Huile SAE 5W 40 |



























