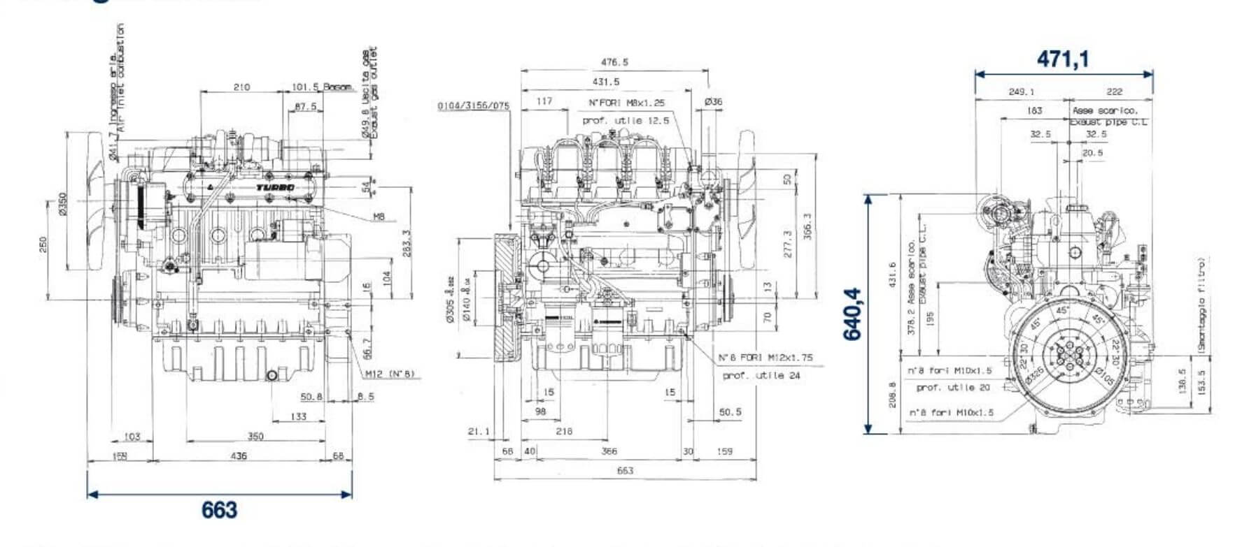
Moteur Lombardini LDW 2204 T



Le moteur Lombardini LDW 2204 T refroidi par liquide appartient à la technologie CHD.
C’est un moteur puissant de 63,9 ch, et tout aussi robuste.
- N 47 kw | 63.9 hp
- NB 44.3 kw | 60.2 hp
- NA 40.8 kw | 55.5 hp
- 4 cylindres | 3000 rpm
- 2199 cm3 | 190.0 @ 1800 Nm@rpm
Principales applications
Machines agricoles | Bétonnière | Plaque vibrante | Rouleau compacteur | Coupe-asphalte | Générateur | Groupe frigorifique | Soudeur | Balayeuse à moteur | Plate-forme élévatrice | Chariot de récolte de fruits | tracteur 4×4 | Pelle chargeuse compacte
Moteur diesel 4 cours avec cylindres en ligne
Refroidi par fluide avec ventilateur axial
Injection indirecte
Distribution à arbre unique avec tige, leviers de soupapes et poussoirs hydrauliques
Commande de distribution à engrenages
Double prise de force sur le vilebrequin
Deux prises de force sur la distribution
Sens antihoraire, rotation (1° PDF)
Lubrification forcée avec pompe à palettes sur le vilebrequin
Filtre à huile externe à passage total
Ventilateur et pompe à eau positionnables
Dispositif de démarrage automatique de carburant supplémentaire
Régulateur centrifuge
Régulateur de couple
Bloc moteur en fonte avec chemises intégrales réalésables
Culasse en fonte
| Cylindres | 4 |
| Cylindres | 88 |
| Course (mm) | 90.4 |
| Cylindrée (cm3) | 2199 |
| Système d’injection | IDI |
| Taux de compression | 22,5:1 |
| Huile isump capacity without dinamyc horizontale stabilizer (l) | 5.7 |
| Huile isump capacity with dinamyc horizontale stabilizer (l) | 4.5 |
| Consommation dhuile (kg/h) | 0,032 |
| Intervalle de vidange dhuile standard/synthétique (h) | 250 |
| Intervalle de remplacement du filtre à huile std/synthétique(h) | 250 |
| Réglage des soupapes | 500 |
| Lubrification | SAE 5W40 |
| Couple maximal 3 PTO (Nm) | 39.2 @3000 rpm |





























