Motor Lombardini 15 LD 350



Los Motor Lombardini 15 LD 350 es un motor monocilíndrico de 4 tiempos muy versátil que satisface diferentes necesidades.
- N 5.5 kw | 7.5 hp
- NB 5.1 kw | 7 hp
- NA 4.7 kw | 6.4 hp
- 1 cilindro/s | 3600 rpm
- 349 cm3
Principales aplicaciones
Motoagrícola | Tractor de dos ruedas | Motofalda | timón | cortadora de césped | Hormigonera | Volquete | Mini volquete | Miniexcavadora | Motorcompresor | Placa vibratoria | Rodillo compactador | Cortadora de asfalto | Generador | Unidad de refrigeración | Soldador | Barredora a motor | Plataforma aérea | Mini coche
Motor de 4 tiempos con cilindro en línea
Toma de fuerza cónica en el cigüeñal
Rotación en el sentido contrario a las manecillas del reloj
Lubricación forzada con bomba lobular
Regulador de velocidad de masa centrífugo
Filtro de aceite interno de paso total
Recirculación del respiradero de aceite con dispositivo de seguridad
Suplemento automático de combustible para la buena voluntad
Purga automática de combustible
Corrector de pareja
Descompresión automática
Base de aluminio fundido a presión con cilindro de hierro fundido integral
cabeza de aluminio
Pies de fijación integrados
Empujadores hidráulicos
| Cilindros | 1 |
| Aburrir (mm) | 82 |
| Carrera (mm) | 66 |
| Desplazamiento (cm3) | 349 |
| Tipo de inyección | DI |
| Índice de compresión | 20.3:1 |
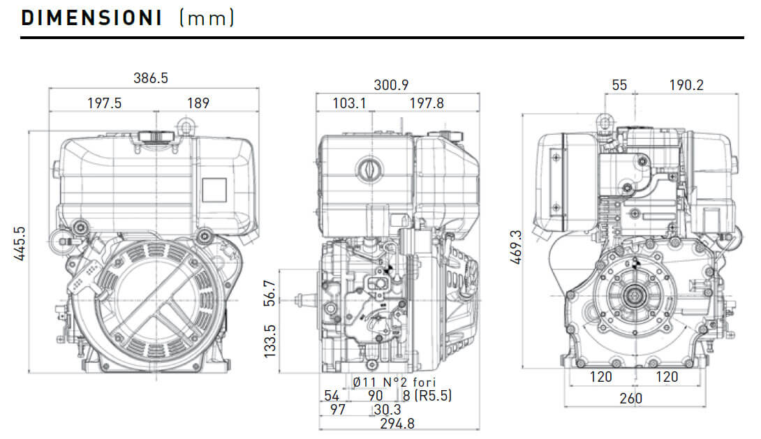
| A × L × P (ventilador excluido) (mm) | 445.5×386.5×300.9 |
| Peso en seco (kg) | 33 |
| Lado de mantenimiento – ubicación | En un lado |
| Temperatura ambiente de uso (° C) | -10° +50° |
| Inclinación máxima admisible (intermitente – 30 min) (grados) |
25° |
| Inclinación máxima admisible (tiempo máximo -1min) (grados) |
35° |
| Flujo de aire de combustión @3600 l/min | 540 |
| Flujo de aire enfriándose @3600 (l/min) | 5000 |
| Capacidad del tanque (l) | 4.3 |
| Capacidad de aceite lubricante (l) | 1.2 |
| Consumo de aceite (kg/h) | 0.00032 |
| Intervalo de cambio de aceite (horas) | 250 |
| Intervalo de reemplazo del filtro de aceite (horas) | 500 |
| Intervalo de reemplazo del filtro de aire seco | 250 |
| Intervalo de ajuste de la holgura de válvulas (horas) | 500 |
| Lubricante | Aceite SAE 5W 40 |



























