Motor Lombardini LDW 2204 T



Los Motor Lombardini LDW 2204 T refrigerado por líquido pertenece a la tecnología chd. Es un motor con una enorme potencia de 63,9 CV, e igual de robusto.
- N 47 kw | 63.9 hp
- NB 44.3 kw | 60.2 hp
- NA 40.8 kw | 55.5 hp
- 4 cilindro/s | 3000 rpm
- 2199 cm3 | 190.0 @ 1800 Nm@rpm
Principales aplicaciones
Motoagrícola | Hormigonera | Placa vibratoria | Rodillo compactador | Cortadora de asfalto | Generador | Unidad de refrigeración | Soldador | Barredora a motor | Plataforma aérea | Vagón cosechador de frutas | tractora 4×4 | Pala cargadora compacta
Motor de 4 tiempos con cilindros en línea
Refrigeración líquida con ventilador axial
inyección indirecta
Distribución monoeje con bielas, balancines y taqués hidráulicos
Control de distribución de engranajes
Intercambiador de calor agua-aceite
Turbocompresor Mitsubishi TD 025L
Toma de fuerza doble en el cigüeñal
Dos tomas de fuerza en la distribución
Rotación en sentido antihorario (primera toma de fuerza)
Lubricación forzada con bomba lobular en el cigüeñal
Filtro de aceite externo de paso total
Bomba de agua y ventilador posicionables
Suplemento automático de combustible por la buena voluntad
Regulador de velocidad centrífugo
Corrector de pareja
cabeza de hierro fundido
Monobloc de hierro fundido con barriletes integrales rearmables
| Cilindros | 4 |
| Aburrir (mm) | 88 |
| Carrera (mm) | 90.4 |
| Desplazamiento (cm3) | 2199 |
| Tipo de inyección | IDI |
| Índice de compresión | 22,5:1 |
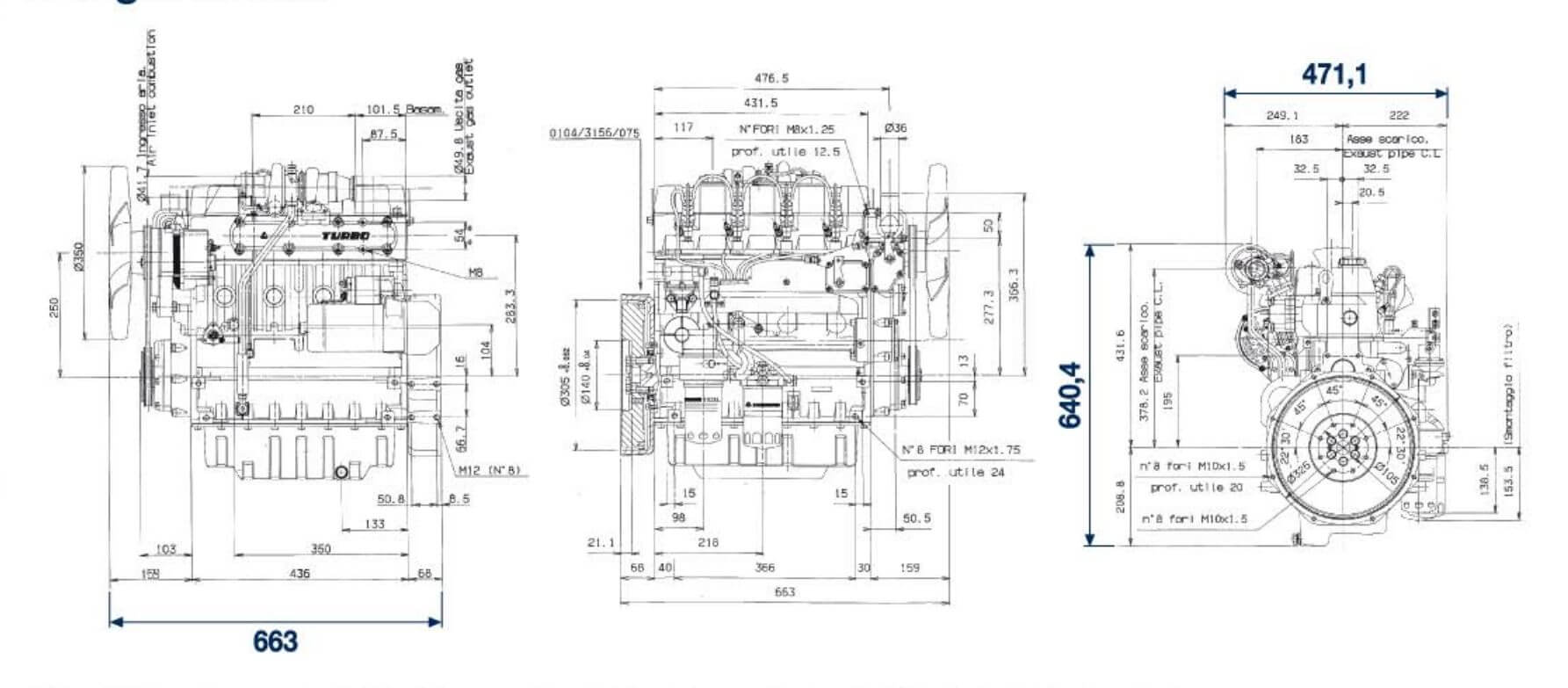
| A × L × P (ventilador excluido) (mm) | 593.15x663x445 |
| Peso en seco (kg) | 197 |
| Temperatura ambiente de uso (° C) | -15° +50° |
| Inclinación máxima admisible (intermitente – 30 min) (grados) |
25° |
| Inclinación máxima admisible (tiempo máximo -1min) (grados) |
35° |
| Flujo de aire de combustión @3600 l/min | 4200 |
| Flujo de aire enfriándose @3600 (l/min) | 180 |
| Capacidad del cárter de aceite (l) senza equilibratore dinamico | 5.7 |
| Capacidad del cárter de aceite (l) con equilibratore dinamico | 4.5 |
| Consumo de aceite (kg/h) | 0,032 |
| Intervalo de cambio de aceite (horas) | 250 |
| Intervalo de reemplazo del filtro de aceite (horas) | 250 |
| Intervalo de ajuste de la holgura de válvulas (horas) | 500 |
| Lubricante | SAE 5W40 |
| Par máximo (Nm) tercera toma de fuerza | 39.2 @3000 rpm |





























