Motor Lombardini 25 LD 425-2



Los Motor Lombardini 25LD 425-2 con una potencia de 19 hp, es refrigerado al aire y se utiliza en muchas aplicaciones relacionadas principalmente con la agricultura pero también con el sector de la construcción.
- N 14 kw | 19 hp
- NB 13 kw | 17.7 hp
- NA 12 kw | 16.3 hp
- 2 cilindro/s | 3600 rpm
- 851 cm3 | 42 @ 2200 Nm@rpm
Principales aplicaciones
Motoagrícola | Tractor de dos ruedas | Motofalda | timón | cortadora de césped | Hormigonera | Volquete | Mini volquete | Miniexcavadora | Placa vibratoria | Rodillo compactador | Cortadora de asfalto | Generador | Unidad de refrigeración | Soldador | Barredora a motor | Plataforma aérea
Motor de 4 tiempos refrigerado por aire
inyección directa
Alimentado por bomba de combustible mecánica
Lubricación forzada con bomba
Filtro de aceite interno de paso total
Corrector de pareja
Regulador de velocidad de masa centrífugo
Base de túnel de soporte en aluminio fundido a presión
buena voluntad electrica
Rotación en sentido antihorario (visto desde el lado de la toma de fuerza)
Cabezas independientes en aleación de aluminio
Cilindros independientes en hierro fundido resellable
Suplemento automático de combustible por la buena voluntad
Respirar con aire forzado
Toma de fuerza en el cigüeñal
Toma de fuerza del lado del volante
| Cilindros | 2 |
| Aburrir (mm) | 85 |
| Carrera (mm) | 75 |
| Desplazamiento (cm3) | 851 |
| Tipo de inyección | DI |
| Índice de compresión | 19:1 |
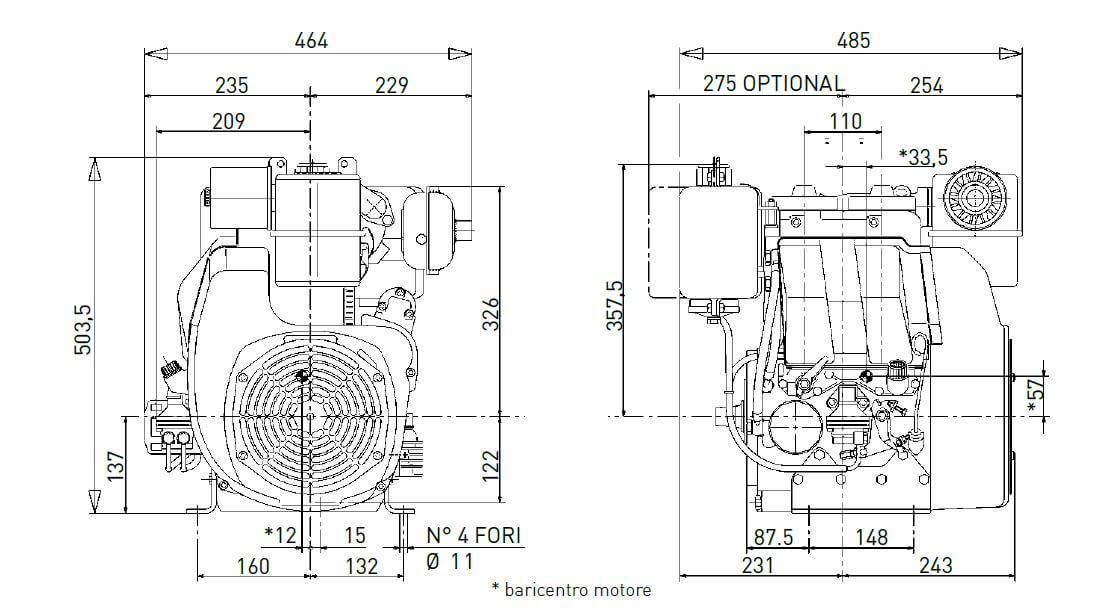
| A × L × P (ventilador excluido) (mm) | 503.5x485x464 |
| Peso en seco (kg) | 63 |
| Lado de mantenimiento – ubicación | En un lado |
| Temperatura ambiente de uso (° C) | -5° +45° |
| Inclinación máxima admisible (intermitente – 30 min) (grados) |
25° |
| Inclinación máxima admisible (tiempo máximo -1min) (grados) |
35° |
| Flujo de aire de combustión @3600 l/min | 1330/1110 |
| Flujo de aire enfriándose @3600 (l/min) | 14200/11835 |
| Capacidad del tanque (l) | 4 |
| Capacidad de aceite lubricante (l) | 1.7 |
| Consumo de aceite (kg/h) | 0.0085 |
| Intervalo de cambio de aceite (horas) | 250 |
| Intervalo de reemplazo del filtro de aceite (horas) | 250 |
| Intervalo de ajuste de la holgura de válvulas (horas) | 500 |
| Lubricante | Aceite SAE 15W 40 API CF4/SG ACEA B2/E2 |



























