Moteur Lombardini 25 LD 425-2



Moteur Lombardini 25LD 425-2 d’une puissance de 19 ch, il est refroidi par air et utilisé dans de nombreuses applications concernant principalement l’agriculture mais aussi le secteur de la construction.
- N 14 kw | 19 hp
- NB 13 kw | 17.7 hp
- NA 12 kw | 16.3 hp
- 2 cylindres | 3600 rpm
- 851 cm3 | 42 @ 2200 Nm@rpm
Principales applications
Machines agricoles | Tracteur à deux roues | Motofalce | Barre | Tondeuse à gazon | Bétonnière | Tombereau | Mini tombereau | Mini pelle | Plaque vibrante | Rouleau compacteur | Coupe-asphalte | Générateur | Groupe frigorifique | Soudeur | Balayeuse à moteur | Plate-forme aérienne
Moteur 4 temps refroidi par air
Injection directe
Alimenté par une pompe à carburant mécanique
Lubrification forcée avec pompe
Filtre à huile interne à passage intégral
Correcteur de couple
Masse centrifuge régulateur de vitesse
Base de tunnel de support en aluminium moulé sous pression
Démarrage électrique
Rotation anti-horaire (vu du côté prise de force)
Têtes indépendantes en alliage d’aluminium
Cylindres indépendants en fonte réarmables
Supplément de carburant automatique pour le démarrage
Refroidissement par air forcé
Prise de puissance sur le vilebrequin
Prise de force côté volant
| Cylindre | 2 |
| Alésage (mm) | 85 |
| Course (mm) | 75 |
| Cylindrée (cm3) | 851 |
| Système d’injection | DI |
| Taux de compression | 19:1 |
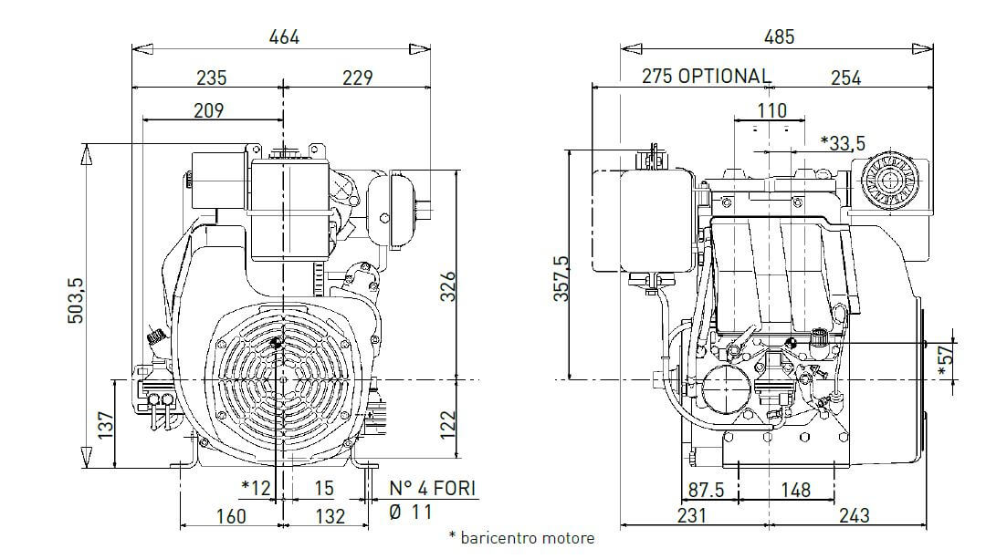
| H × L × W (sans hélice) (mm) | 503.5x485x464 |
| Poids sec (kg) | 63 |
| Daily service points – positions | 1 service à côté |
| Températures ambiantes de fonctionnement (°C) | -5° +45° |
| Inclinaison maximale autorisée (intermittent – 30 min) (degrees) |
25° |
| Inclinaison maximale autorisée (valeur de crête -1 min) (deg) |
35° |
| Débit d’air de combustion @3600 (l/min) | 1330/1110 |
|
Cooling air flow @3600 (l/min) |
14200/11835 |
| Capacité du réservoir de carburant (l) | 4 |
| Capacité du charretier dhuile (l) | 1.7 |
| Consommation dhuile (kg/h) | 0.0085 |
| Intervalle de vidange dhuile standard/synthétique (h) | 250 |
| Intervalle de remplacement du filtre à huile std/synthétique(h) | 250 |
| Réglage des soupapes | 500 |
| Lubrification | Huile SAE 15W 40 API CF4/SG ACEA B2/E2 |



























