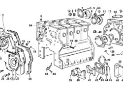
Ricambi Lombardini ldw 2204/t, ricambi motore lombardini ldw 2204/t, rivenditore lombardini ldw 2204/t

Torna su