Motore Lombardini 25 LD 425-2



Il Motore Lombardini 25LD 425-2 dalla potenza di 19 hp, è raffreddato ad aria ed utilizzato in molte applicazioni concernenti soprattutto l’agricoltura ma anche il settore delle costruzioni.
- N 14 kw | 19 hp
- NB 13 kw | 17.7 hp
- NA 12 kw | 16.3 hp
- 2 cilindro/i | 3600 giri/min
- 851 cm3 | 42 @ 2200 Nm@giri/min
Applicazioni principali
Motoagricola | Motocoltivatore | Motofalce | Motozappa | Rasaerba | Betoniera | Dumper | Mini dumper | Mini escavatore | Piastra vibrante | Rullo compattatore | Taglia asfalto | Generatore | Gruppo frigo | Saldatrice | Motoscopa | Piattaforma aerea
Motore a 4 tempi raffreddato ad aria
Iniezione diretta
Alimentazione con pompa combustibile meccanica
Lubrificazione forzata con pompa
Filtro olio interno a passaggio totale
Correttore di coppia
Regolatore di velocità centrifugo a masse
Basamento portante a tunnel in alluminio pressofuso
Avviamento elettrico
Rotazione antioraria (vista dal lato presa di forza)
Teste indipendenti in lega d’alluminio
Cilindri indipendenti in ghisa rialesabili
Supplemento automatico di combustibile per l’avviamento
Raffreddamento ad aria forzata
Presa di moto sull’albero motore
Presa di moto lato volano
| Cilindri | 2 |
| Alesaggio (mm) | 85 |
| Corsa (mm) | 75 |
| Cilindrata (cm3) | 851 |
| Tipo d’iniezione | DI |
| Rapporto di compressione | 19:1 |
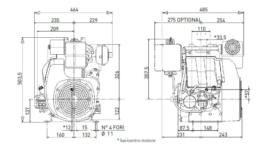
| A × L × P (ventola esclusa) (mm) | 503.5x485x464 |
| Peso a secco (kg) | 63 |
| Lato manutenzione – posizione | Su lato unico |
| Temperatura ambiente d’utilizzo (°C) | -5° +45° |
| Massima inclinazione ammissibile (intermittente – 30 min) (gradi) |
25° |
| Massima inclinazione ammissibile (tempo massimo -1min) (gradi) |
35° |
| Portata aria combustione @3600 l/min | 1330/1110 |
| Portata aria raffreddamento @3600 (l/min) | 14200/11835 |
| Capacità serbatoio (l) | 4 |
| Capacità olio lubrificante (l) | 1.7 |
| Consumo olio (kg/h) | 0.0085 |
| Intervallo sostituzione olio (ore) | 250 |
| Intervallo sostituzione filtro olio (ore) | 250 |
| Intervallo registrazione gioco valvole (ore) | 500 |
| Lubrificante | Olio SAE 15W 40 API CF4/SG ACEA B2/E2 |



























