Motore Lombardini LDW 2204 T



Il Motore Lombardini LDW 2204 T raffreddato a liquido appartiene alla tecnologia chd. È un motore dalla enorme Potenza di 63.9 hp, ed altrettanto robusto.
- N 47 kw | 63.9 hp
- NB 44.3 kw | 60.2 hp
- NA 40.8 kw | 55.5 hp
- 4 cilindro/i | 3000 giri/min
- 2199 cm3 | 190.0 @ 1800 Nm@giri/min
Applicazioni principali
Motoagricola | Betoniera | Piastra vibrante | Rullo compattatore | Taglia asfalto | Generatore | Gruppo frigo | Saldatrice | Motoscopa | Piattaforma aerea | Carro raccoglifrutta | Trattore 4×4 | Pala caricatrice compatta
Motore 4 tempi con cilindri in linea
Raffreddamento a liquido con ventilatore assiale
Iniezione indiretta
Distribuzionie monoalbero con aste, bilancieri e punterie idrauliche
Comando distribuzione ad ingranaggi
Scambiatore di calore acqua-olio
Turbocompressore Mitsubishi TD 025L
Doppia presa di forza sull’albero motore
Due presa di forza sulla distribuzione
Rotazione antioraria (1° PTO)
Lubrificazione forzata con pompa a lobi sull’albero motore
Filtro olio esterno a passaggio totale
Pompa acqua e ventilatore posizionabili
Supplemento automatico di combustibile per l’avviamento
Regolatore di velocità centrifugo
Correttore di coppia
Testa in ghisa
Monoblocco in ghisa con canne integrali rialesabili
| Cilindri | 4 |
| Alesaggio (mm) | 88 |
| Corsa (mm) | 90.4 |
| Cilindrata (cm3) | 2199 |
| Tipo d’iniezione | IDI |
| Rapporto di compressione | 22,5:1 |
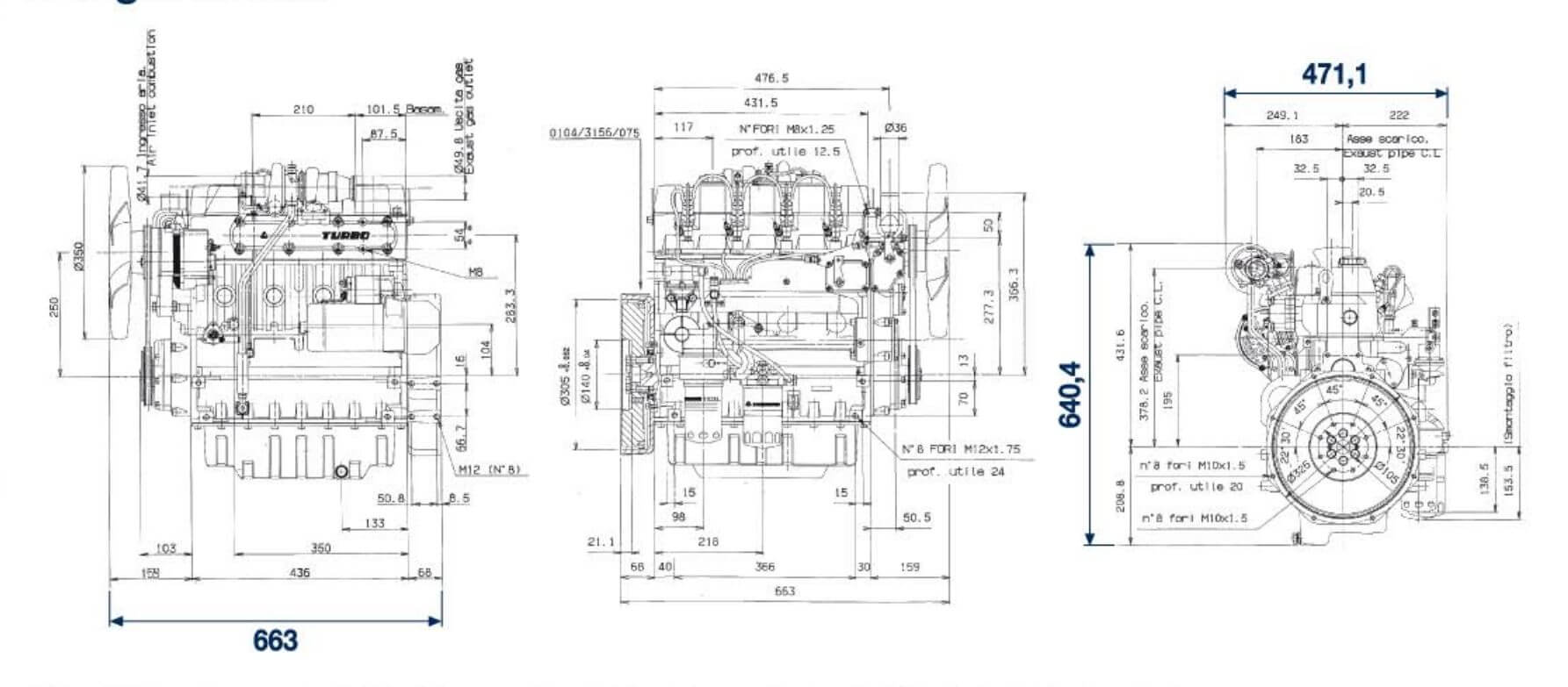
| A × L × P (ventola esclusa) (mm) | 593.15x663x445 |
| Peso a secco (kg) | 197 |
| Temperatura ambiente d’utilizzo (°C) | -15° +50° |
| Massima inclinazione ammissibile (intermittente – 30 min) (gradi) |
25° |
| Massima inclinazione ammissibile (tempo massimo -1min) (gradi) |
35° |
| Portata aria combustione @3600 l/min | 4200 |
| Portata aria raffreddamento @3600 (l/min) | 180 |
| Capacità coppa olio (l) senza equilibratore dinamico | 5.7 |
| Capacità coppa olio (l) con equilibratore dinamico | 4.5 |
| Consumo olio (kg/h) | 0,032 |
| Intervallo sostituzione olio (ore) | 250 |
| Intervallo sostituzione filtro olio (ore) | 250 |
| Intervallo registrazione gioco valvole (ore) | 500 |
| Lubrificante | SAE 5W40 |
| Coppia massima (Nm) terza presa di forza | 39.2 @3000 giri/min |





























