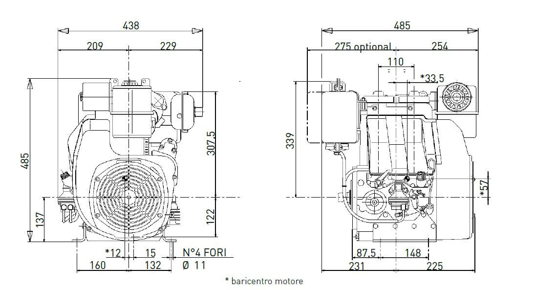
25 LD 330-2, lombardini engine 25 LD 330-2, lombardini engine 25 LD 330-2 spare parts

Go to Top