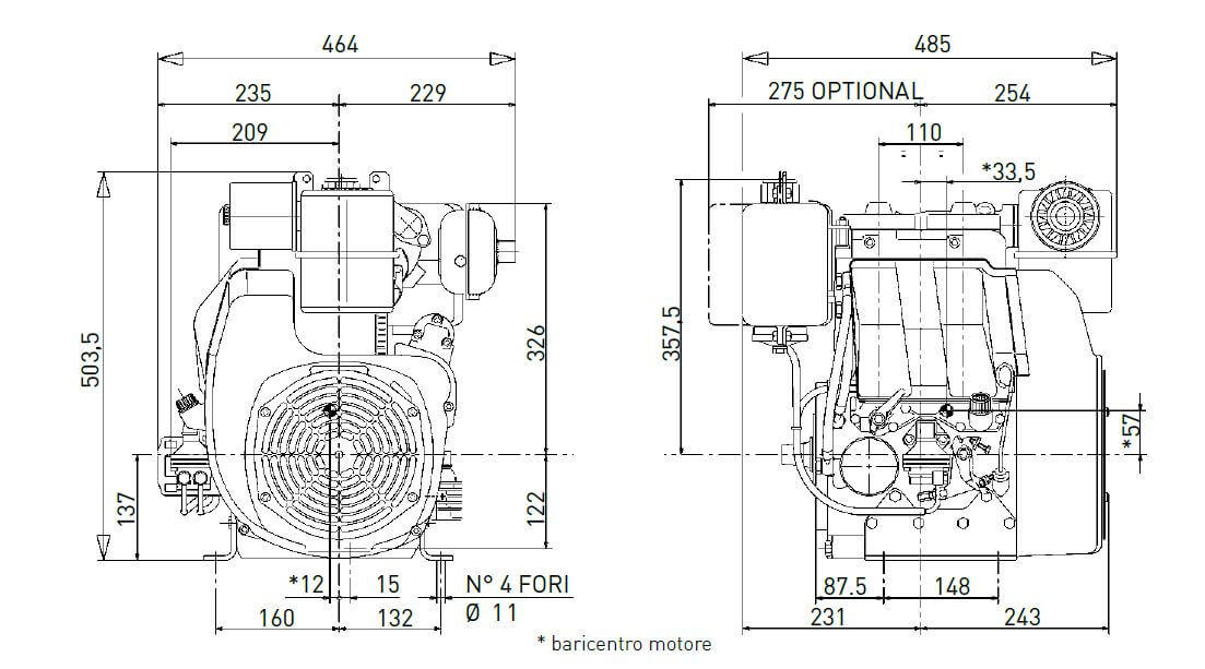
25 LD 425-2, lombardini engine 25 LD 425-2, lombardini engine spare parts 25 LD 425-2

Go to Top