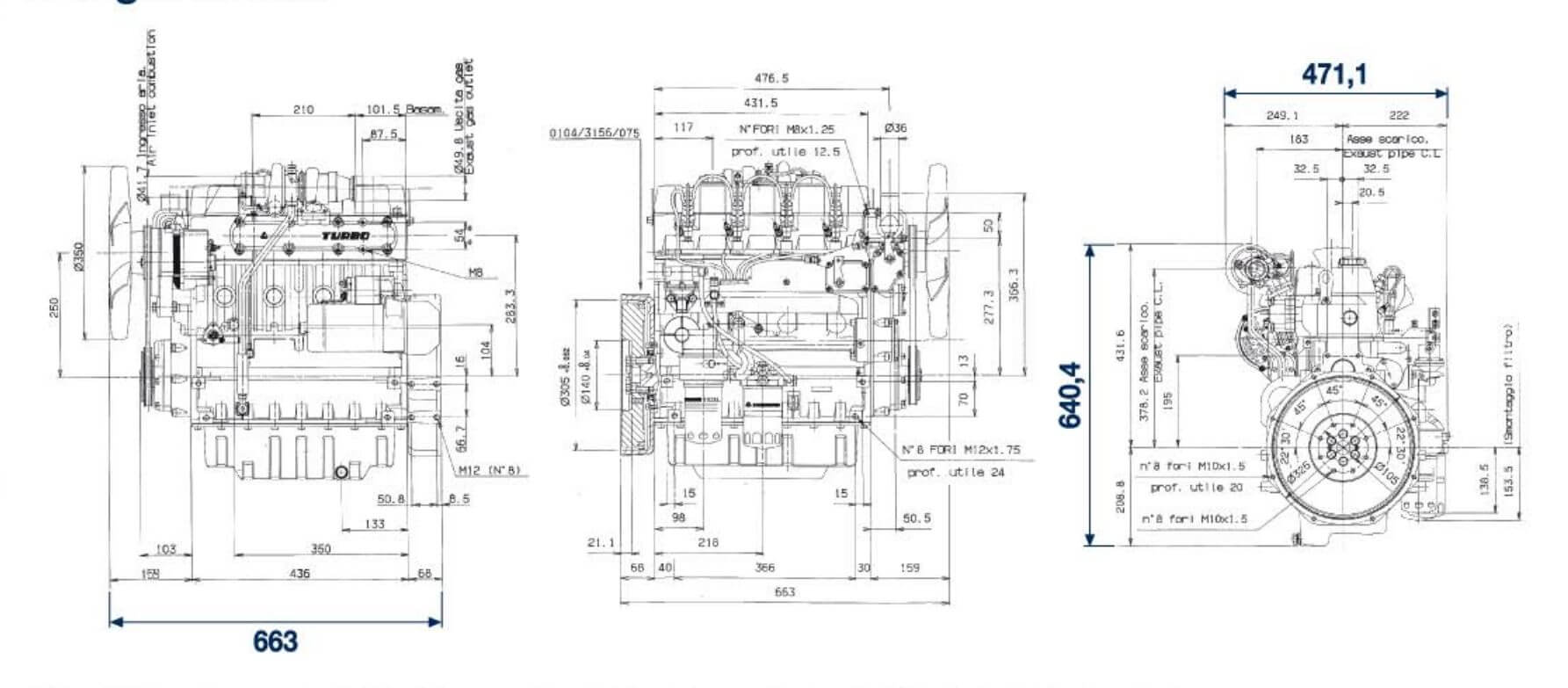
Lombardini Engine LDW 2204 T



Lombardini engine LDW 2204 T liquid-cooled belongs to CHD technology.
It is a powerful engine of 63.9 hp, and equally robust.
- N 47 kw | 63.9 hp
- NB 44.3 kw | 60.2 hp
- NA 40.8 kw | 55.5 hp
- 4 cylinders | 3000 rpm
- 2199 cm3 | 190.0 @ 1800 Nm@rpm
Main applications
Farm machinery | Concrete mixer | Vibrating plate | Compactor roller | Asphalt cutter | Generator | Refrigerating unit | Welder | Motor sweeper | Aerial platform | Fruit harvester wagon | 4×4 tractor | Compact loader shovel
4 stroke diesel engine with cylinders in line
Fluid cooled with axial fan
Indirect injection
Single –shaft distribution with rod, valve levers and hydraulic tappets
Geared distribution control
Double pto on the crankshaft
Two pto on the distribution
Counterclockwise, rotation (1° PTO)
Forced lubrification with vane pump on the crankshaft
Total passage external oil filter
Positionable fan and water pump
Automatic extra fuel starting device
Centrifugal governor
Torque regulator
Cast iron engine block with re-borable integral liners
Cast iron cylinder head
| Cylinders | 4 |
| Cylinders | 88 |
| Stroke (mm) | 90.4 |
| Engine displ (cm3) | 2199 |
| Injection system | IDI |
| Compression ratio | 22,5:1 |
| Oil isump capacity without dinamyc horizontal stabilizer (l) | 5.7 |
| Oil isump capacity with dinamyc horizontal stabilizer (l) | 4.5 |
| Oil consumption (kg/h) | 0,032 |
| Oil change interval std/synthetic (hr) | 250 |
| Oil filter change interval std/synthetic (hr) | 250 |
| Valve adjustement | 500 |
| Lubrification | SAE 5W40 |
| Max Torque 3 PTO (Nm) | 39.2 @3000 rpm |





























