Lombardini-Motor 15 LD 350



Lombardini-Motor 15 LD 350 ist ein 4-Takt Einzylindermotor, sehr vielseitig, der auf unterschiedliche Bedürfnisse reagiert und einsetzbar ist.
- N 5.5 kw | 7.5 hp
- NB 5.1 kw | 7 hp
- NA 4.7 kw | 6.4 hp
- 1 zylinder | 3600 rpm
- 349 cm3
Hauptanwendungen
Landmaschinen | Zweiradtraktor | Motofalce | Pinne | Rasenmäher | Betonmischer | Dumper | Minidumper | Minibagger | Motorkompressor | Vibrationsplatte | Verdichterwalze | Asphaltschneider | Generator | Kühlaggregat | Schweißer | Motorkehrmaschine | Hubarbeitsbühne | Mini Auto
Luftgekühlter 4-Takt-Dieselmotor
Konischer Nebenabtrieb auf der Kurbelwelle
Drehung gegen den Uhrzeigersinn
Zwangsschmierung mit Ölpumpe
Schwungmassenregler
Eingebauter Vollstrom-Ölfilter
Ölatmung Blow-by mit Sicherheitseinrichtung
Automatisches zusätzliches Kraftstoffstartgerät
Selbstentlüftendes Kraftstoffsystem
Drehmomenteinsteller
Automatische Dekompression
Kurbelgehäuse aus Aluminium-Druckguss mit integrierter Zylinderlaufbuchse aus Gusseisen
Zylinderkopf aus Aluminium
Eingebaute starre Gebühr
Hydrostößel
| Zylinder | 1 |
| Langeweile (mm) | 82 |
| Schlaganfall (mm) | 66 |
| Motoranzeige (cm3) | 349 |
| Einspritzsystem | DI |
| Kompressionsrate | 20.3:1 |
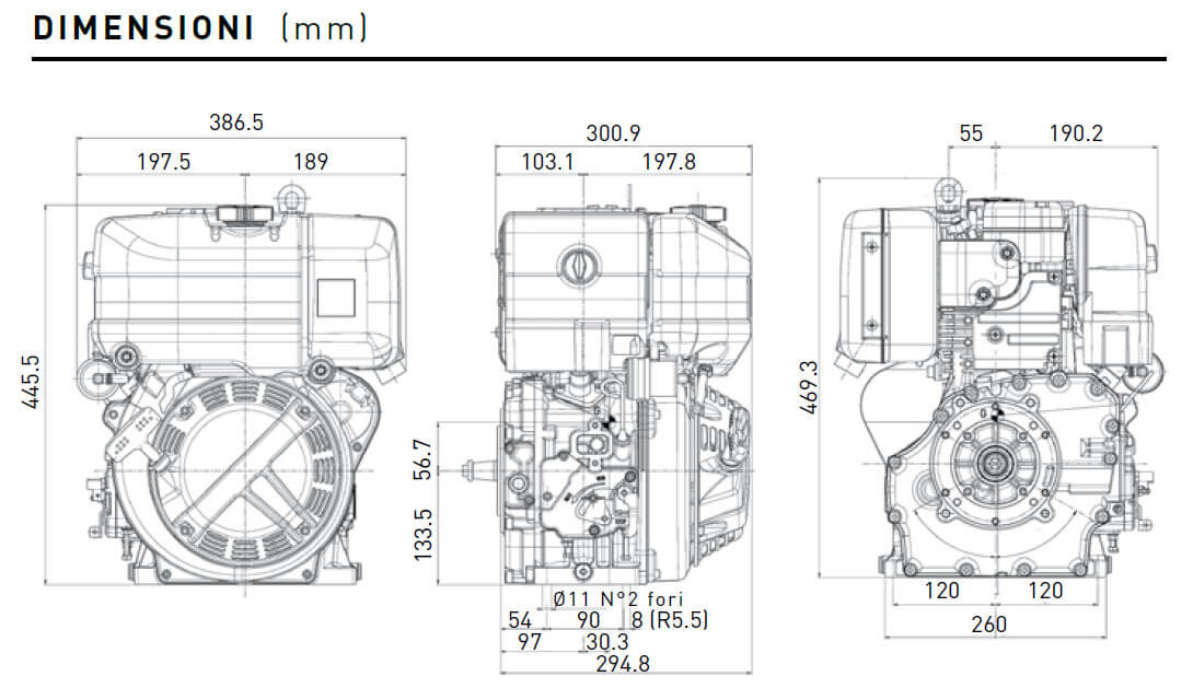
| H × L × W (lüfter ausgeschlossen) (mm) | 445.5×386.5×300.9 |
| Trockengewicht (kg) | 33 |
| Tägliche Servicepunkte – Positionen | 1-seitiger Service |
| Umgebungsbetriebstemperatur (°C) | -10° +50° |
| Steigfähigkeit rundum (Spitzenwert -1 min) (Grad) |
25° |
| Gradeability-all round (deg) (Höchstwert -1 min) |
35° |
| Deckel. Luftbedarf für korrekte Verbrennung bei 3600 (l/min) | 540 |
| Deckel. Luftbedarf für korrekte Kühlung bei 3600 (l/min) | 5000 |
| Treibstofftank Kapazität (l) | 4.3 |
| Fassungsvermögen der Ölwanne (l) | 1.2 |
| Ölverbrauch (kg/h) | 0.00032 |
| Ölwechselintervall Std/Synthetik (hr) | 250 |
| Ölfilterwechselintervall Std/Synthetik (hr) | 500 |
| Trockenluftfilter-Wechselintervall (hr) | 250 |
| Ventileinstellung | 500 |
| Lubrication | Öl SAE 5W 40 |



























