Lombardini-Motor LDW 2204 T



Lombardini-Motor LDW 2204 T flüssigkeitsgekühlt gehört zur CHD-Technologie.
Es ist ein leistungsstarker Motor mit 63,9 PS und ebenso robust.
- N 47 kw | 63.9 hp
- NB 44.3 kw | 60.2 hp
- NA 40.8 kw | 55.5 hp
- 4 zylinder | 3000 rpm
- 2199 cm3 | 190.0 @ 1800 Nm@rpm
Hauptanwendungen
Landmaschinen | Betonmischer | Vibrationsplatte | Verdichterwalze | Asphaltschneider | Generator | Kühlaggregat | Schweißer | Motorkehrmaschine | Hubarbeitsbühne | Obsterntewagen | 4×4 Traktor | Kompakte Ladeschaufel
4-Takt-Dieselmotor mit Zylinder in Reihe
Flüssigkeitsgekühlt mit Axiallüfter
Indirekte Injektion
Einwellen-Verteilung mit Stange, Ventilhebeln und Hydrostößeln
Verzahnte Verteilungssteuerung
Doppelzapfwelle auf der Kurbelwelle
Zwei Zapfwelle auf der Verteilung
Drehung gegen den Uhrzeigersinn (1° PTO)
Zwangsschmierung mit Flügelzellenpumpe auf der Kurbelwelle
Externer Ölfilter mit vollem Durchgang
Positionierbarer Lüfter und Wasserpumpe
Automatisches zusätzliches Kraftstoffstartgerät
Fliehkraftregler
Drehmomentregler
Motorblock aus Gusseisen mit wiederaufbohrbaren integrierten Laufbuchsen
Zylinderkopf aus Gusseisen
| Zylinder | 4 |
| Zylinder | 88 |
| Schlaganfall (mm) | 90.4 |
| Motoranzeige (cm3) | 2199 |
| Einspritzsystem | IDI |
| Kompressionsrate | 22,5:1 |
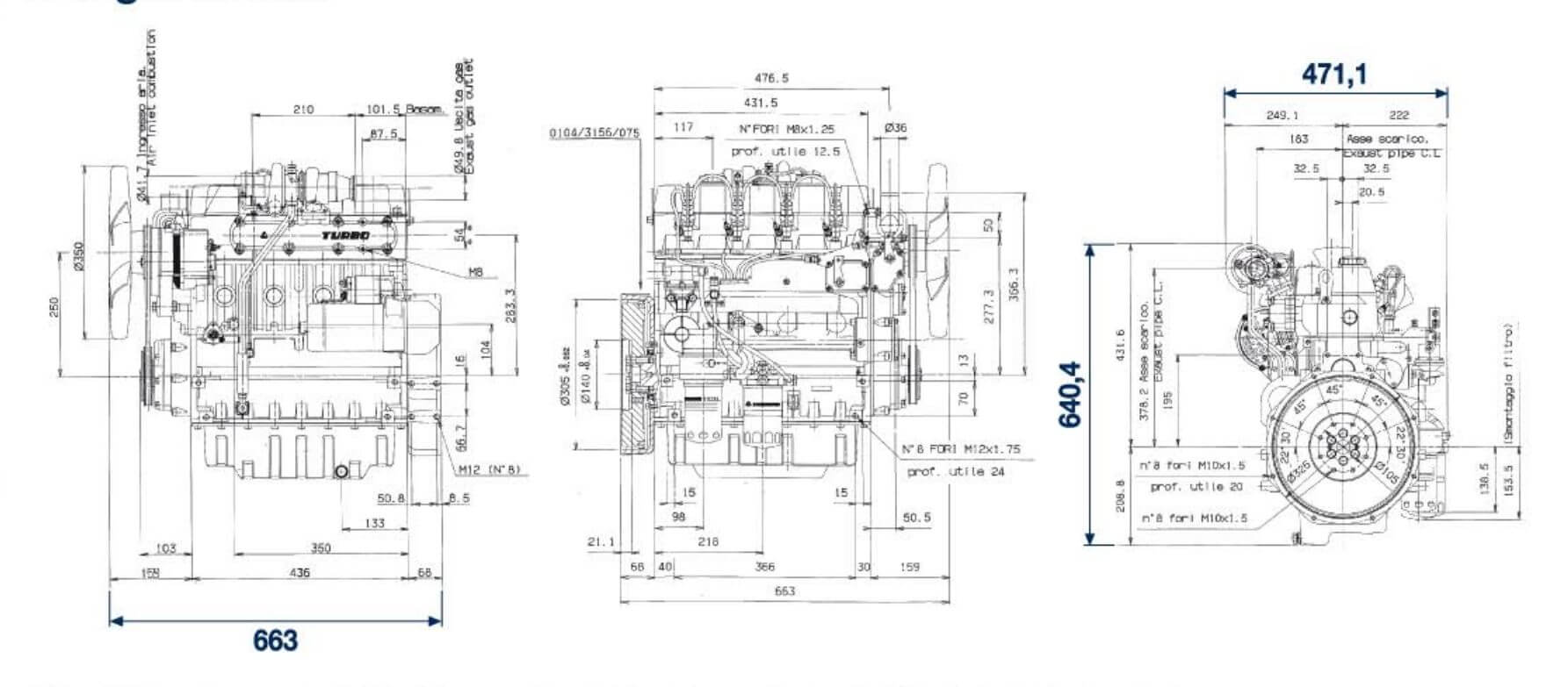
| H × L × W (mm) | 593.15x663x445 |
| Trockengewicht (kg) | 197 |
| Umgebungsbetriebstemperatur (°C) | -15° +50° |
| Steigfähigkeit – rundum (wechselnd -30 min) (deg) |
25° |
| (Höchstwert -1 min) (deg) | 35° |
| Deckel. Luftbedarf für korrekte Verbrennung bei 3600 (l/min) | 4200 |
| Deckel. Luftbedarf für korrekte Kühlung bei 3600 (l/min) | 180 |
| Ölsumpfkapazität ohne dynamischen Höhenleitwerk (l) | 5.7 |
| Ölsumpfkapazität mit dynamischem Höhenleitwerk (l) | 4.5 |
| Ölverbrauch (kg/h) | 0,032 |
| Ölwechselintervall Std/Synthetik (hr) | 250 |
| Ölfilterwechselintervall Std/Synthetik (hr) | 250 |
| Ventileinstellung | 500 |
| Lubrification | SAE 5W40 |
| Maximaler Drehmoment 3 PTO (Nm) | 39.2 @3000 rpm |





























