Lombardini-Motor 25 LD 425-2



Lombardini-Motor 25LD 425-2 Mit einer Leistung von 19 PS ist er luftgekühlt und wird in vielen Anwendungen hauptsächlich in der Landwirtschaft, aber auch im Bausektor eingesetzt.
- N 14 kw | 19 hp
- NB 13 kw | 17.7 hp
- NA 12 kw | 16.3 hp
- 2 zylinder | 3600 rpm
- 851 cm3 | 42 @ 2200 Nm@rpm
Hauptanwendungen
Landmaschinen | Zweiradtraktor | Motofalce | Pinne | Rasenmäher | Betonmischer | Dumper | Minidumper | Minibagger | Vibrationsplatte | Verdichterwalze | Asphaltschneider | Generator | Kühlaggregat | Schweißer | Motorkehrmaschine | Luftplattform
Luftgekühlter 4-Takt-Motor
Direkte Injektion
Leistunged durch mechanische Kraftstoffpumpe
Zwangsschmierung mit Pumpe
Interner Ölfilter mit voller Bohrung
Paar Korrektor
Schwungmassenregler
Unterstützender Tunnelsockel aus Aluminium-Druckguss
Elektrostart
Linkslauf (von der Zapfwellenseite aus gesehen)
Unabhängige Köpfe aus Aluminiumlegierung
Unabhängiger Zylinder aus Gusseisen, rückstellbar
Automatischer Kraftstoffzuschlag für beginnend
Zwangsluftkühlung
Leistungsabnahme an der Kurbelwelle
Schwungradseitiger Nebenabtrieb
| Zylinder | 2 |
| Langeweile (mm) | 85 |
| Schlaganfall (mm) | 75 |
| Motoranzeige (cm3) | 851 |
| Einspritzsystem | DI |
| Kompressionsrate | 19:1 |
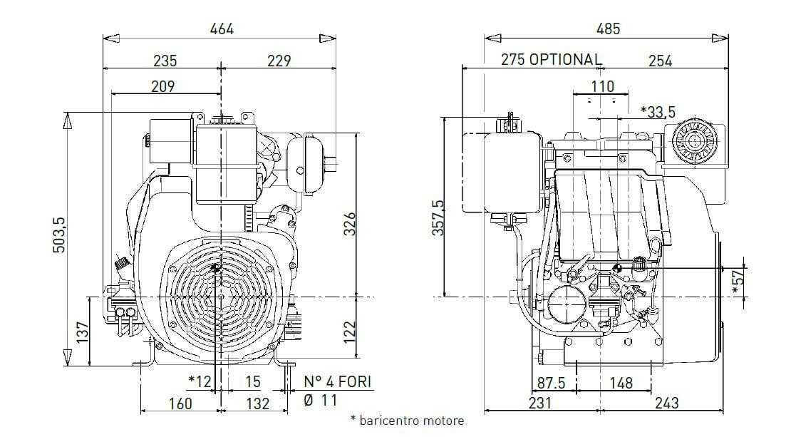
| H × L × W (lüfter ausgeschlossen) (mm) | 503.5x485x464 |
| Trockengewicht (kg) | 63 |
| Tägliche Servicepunkte – Positionen | 1-seitiger Service |
| Umgebungsbetriebstemperatur (°C) | -5° +45° |
| Steigfähigkeit – rundum (wechselnd – 30 min) (degrees) |
25° |
| Steigfähigkeit – rundum (Höchstwert -1 min) (deg) |
35° |
| Deckel. Luftbedarf für korrekte Verbrennung bei 3600 (l/min) | 1330/1110 |
|
Kühlluftstrom @3600 (l/min) |
14200/11835 |
| Treibstofftank Kapazität (l) | 4 |
| Fassungsvermögen der Ölwanne (l) | 1.7 |
| Ölverbrauch (kg/h) | 0.0085 |
| Ölwechselintervall Std/Synthetik (hr) | 250 |
| Ölfilterwechselintervall Std/Synthetik (hr) | 250 |
| Ventileinstellung | 500 |
| Lubrification | Öl SAE 15W 40 API CF4/SG ACEA B2/E2 |



























